Aveo 2007 Esquema Electrico Chevrolet Aveo Scelta completa - Los manuales de taller aveo o kalos abarcan los modelos entre los años 2004 y 2010. Envíos gratis en el día compre diagrama electrico chevrolet aveo año 2010 en cuotas sin interés! Diagramas electrico chevrolet aveo diagramas y manuales de servicio de autos chevrolet, manual diagramas sistema elctrico chevrolet aveo original, diagrama elctrico chevrolet aveo. Aveo 2007 Esquema Electrico Chevrolet Aveo Envíos gratis en el día compre diagrama electrico aveo en cuotas sin interés! Envíos gratis en el día compre diagrama electrico aveo en cuotas sin interés!
1~ Manual De Diagramas Eléctricos Chevrolet Aveo 0710 10.800 en lengkap
Gambar Manual De Diagramas Eléctricos Chevrolet Aveo 0710 10.800 en (615x721)
Diagramas electrico chevrolet aveo diagramas electrico chevrolet aveo diagramas electricos chevrolet aveo 1 6 2005. Los manuales de taller aveo o kalos abarcan los modelos entre los años 2004 y 2010.No funciona el aire acondicionado no le llega corriente al.. Manual De Diagramas Eléctricos Chevrolet Aveo 0710 10.800 en Ya ea que e trate de un experto intalador de alarma para auto chevrolet aveo, fanático del deempeño de chevrolet aveo o un entuiata novato de chevrolet aveo con un chevrolet aveo. 2011 chevrolet aveo engine diagram imageresizertool com. Fusible del encendedor de cigarrillos. Diagramas electricos chevrolet aveo 1 6 2005. El manual con toda la información para reparar,.. Sistema eléctrico y de alumbrado del vehículo chevrolet aveo.
2~ Diagramas Electricos Pinout Pindata Computadoras Vehiculos 350.00 lengkap
Gambar Diagramas Electricos Pinout Pindata Computadoras Vehiculos 350.00 (500x396)
Diagrama electrico completo de aveo accesorios para.Los diagramas, listados abajo, se refieren unicamente al circuito electrico que involucra:.. Diagramas Electricos Pinout Pindata Computadoras Vehiculos 350.00 Conozca nuestras increíbles ofertas y promociones en millones de productos. Chevrolet aveo 2014 4 puertas 33000 kms. Envíos gratis en el día compre diagrama electrico chevrolet aveo año 2010 en cuotas sin interés! Diagrama electrico completo de aveo accesorios para. Aveo ls 2010 diagramas scribd com. Envíos gratis en el día compre chevrolet aveo diagrama en cuotas sin interés!
3~ Manual aveo 2010 pdf espanol ini
Gambar Manual aveo 2010 pdf espanol (500x164)
El sistema mecánico como es el. Diagrama elã©ctrico chevrolet aveo 2009 foros de electrã³nica.En este artículo, consideramos el chevrolet aveo (sonic) de segunda generación, producido entre 2012 y 2020. Manual aveo 2010 pdf espanol Chevrolet aveo (2002 — 2011) — diagrama de caja de fusibles año de producción: 2002, 2003, 2004, 2005, 2006, 2007, 2008, 2009, 2010, 2011 bloque de fusibles del. Diagramas electrico chevrolet aveo diagramas electrico chevrolet aveo diagramas electricos chevrolet aveo 1 6 2005. 2007 chevrolet cobal sistema electrico pdfsdocuments2 com. No funciona el aire acondicionado no le llega corriente al. Conozca nuestras increíbles ofertas y promociones en millones de productos. Ir al contenido principal mercado. Ya ea que e trate de un experto intalador de alarma para auto chevrolet aveo, fanático del deempeño de chevrolet aveo o un entuiata novato de chevrolet aveo con un chevrolet aveo.
4~ 2007 Chevrolet Aveo Wiring Diagram Wiring Diagram
Gambar 2007 Chevrolet Aveo Wiring Diagram Wiring Diagram (1208x889)
Chevrolet diagramas graphics 2007 tipsmecanico. 2007 Chevrolet Aveo Wiring Diagram Wiring Diagram Chevrolet aveo (2002 — 2011) — diagrama de caja de fusibles año de producción: Diagrama electrico de chevrolet aveo 2008 pdf manual de.... Diagrama electrico de aire acondicionado.
5~ Chevrolet Aveo 2007 Wiring Diagram Wiring Diagram
Gambar Chevrolet Aveo 2007 Wiring Diagram Wiring Diagram (1456x1024)
Conozca nuestras increíbles ofertas y promociones en millones de productos. Conozca nuestras increíbles ofertas y promociones en millones de productos.Audi, bmw, seat, volvo, toyota, fiat audi; Chevrolet Aveo 2007 Wiring Diagram Wiring Diagram Audi, bmw, seat, volvo, toyota, fiat audi; Ya ea que e trate de un experto intalador de alarma para auto chevrolet aveo, fanático del deempeño de chevrolet aveo o un entuiata novato de chevrolet aveo con un chevrolet aveo. Nuevas ofertas ⚡ cada día compra sistema eléctrico para chevrolet aveo construido en 2007 sistema eléctrico en calidad original para su auto a un precio reducido directamente en. No funciona el aire acondicionado no le llega corriente al. El sistema mecánico como es el. Sitio los agregaron hace poco chevrolet aveo 2014 automatico 4 puertas electrico a c estereo usb 102000 kms, hola me pueden ayudar con el diagrama electrico del aveo 2009 sobre todo con. 2011 chevrolet aveo engine diagram imageresizertool com... Conozca nuestras increíbles ofertas y promociones en millones de productos.
6~ ⚡ 2021 Diagrama De Caja De Fusibles Chevrolet Aveo (20072011) ventos.site
Envíos gratis en el día compre diagrama electrico chevrolet aveo año 2010 en cuotas sin interés! Diagrama electrico de aire acondicionado. Ya ea que ea un entuiata novato de chevrolet aveo, un experto intalador de electrónica móvil chevrolet aveo o un fan de chevrolet aveo con un chevrolet aveo 2007, un diagrama de.Envíos gratis en el día compre diagrama electrico completo de aveo en cuotas sin interés!.. ⚡ 2021 Diagrama De Caja De Fusibles Chevrolet Aveo (20072011) ventos.site Chevrolet aveo (2002 — 2011) — diagrama de caja de fusibles año de producción: Diagrama y despiece aveo kalos barina swift scribd.. Los diagramas, listados abajo, se refieren unicamente al circuito electrico que involucra:
7~ chevrolet Diagramas Graphics 2007
Necesito un diagrama electrico de aveo 2009. Fusible del encendedor de cigarrillos. Ya ea que ea un entuiata novato de chevrolet aveo, un experto intalador de electrónica móvil chevrolet aveo o un fan de chevrolet aveo con un chevrolet aveo 2007, un diagrama de.Envíos gratis en el día compre diagrama electrico aveo en cuotas sin interés! chevrolet Diagramas Graphics 2007 Descargar el manual de taller, reparación y servicio del chevrolet aveo gratis en español castellano y en formato pdf. El sistema mecánico como es el. Envíos gratis en el día compre diagrama electrico aveo en cuotas sin interés!
8~ Chevrolet Aveo 2007 Diagramas Electricos berikut
Envíos gratis en el día compre chevrolet aveo diagrama en cuotas sin interés! Los manuales de taller aveo o kalos abarcan los modelos entre los años 2004 y 2010. Envíos gratis en el día compre diagrama electrico aveo en cuotas sin interés!Eglee de venezuela hace 10 meses.. Chevrolet Aveo 2007 Diagramas Electricos Audi, bmw, seat, volvo, toyota, fiat audi; Chevrolet aveo 2009 man gasolina 5 23000 kms. Diagramas electrico chevrolet aveo diagramas y manuales de servicio de autos chevrolet, manual diagramas sistema elctrico chevrolet aveo original, diagrama elctrico chevrolet aveo... El manual con toda la información para reparar,.
9~ CHEVROLET Sistema de carga y arranque 2007 Graphics Esquemas ini
Gambar CHEVROLET Sistema de carga y arranque 2007 Graphics Esquemas (800x1035)
En este artículo, consideramos el chevrolet aveo (sonic) de segunda generación, producido entre 2012 y 2020. CHEVROLET Sistema de carga y arranque 2007 Graphics Esquemas Ir al contenido principal mercado. Envíos gratis en el día compre diagrama electrico aveo en cuotas sin interés! 2007 chevrolet cobal sistema electrico pdfsdocuments2 com. Envíos gratis en el día compre diagrama electrico completo de aveo en cuotas sin interés! El manual con toda la información para reparar,. Diagrama electrico de chevrolet aveo 2008 pdf manual de... Diagramas electrico chevrolet aveo diagramas y manuales de servicio de autos chevrolet, manual diagramas sistema elctrico chevrolet aveo original, diagrama elctrico chevrolet aveo.
10~ Manual De Diagramas Eléctricos Chevrolet Aveo 0710 10.800 en
Gambar Manual De Diagramas Eléctricos Chevrolet Aveo 0710 10.800 en (583x755)
Descarga el manual aveo 2007 chevrolet de taller y mantenimiento que cubre todos los aspectos mecánicos y eléctricos de las diferentes versiones del aveo... Manual De Diagramas Eléctricos Chevrolet Aveo 0710 10.800 en Los diagramas, listados abajo, se refieren unicamente al circuito electrico que involucra: Conozca nuestras increíbles ofertas y promociones en millones de productos. Conozca nuestras increíbles ofertas y promociones en millones de productos. Necesito un diagrama electrico de aveo 2009. Descargar el manual de taller, reparación y servicio del chevrolet aveo gratis en español castellano y en formato pdf. Diagramas electrico chevrolet aveo diagramas electrico chevrolet aveo diagramas electricos chevrolet aveo 1 6 2005. 5 chevrolet aveo 2008 con motor 1.6l lxt descarga gratuita • diagrama del sistema de frenos abs, de la sección de carga y arranque, del can.... . Aquí encontrará diagramas de cajas de fusibles de
11~ Chevrolet Aveo 2007 Wiring Diagram Wiring Diagram berikut
Envíos gratis en el día compre diagrama electrico chevrolet aveo año 2010 en cuotas sin interés!Y otros componentes que intervienen en el funcionamiento correcto de los circuitos electrónicos... Chevrolet Aveo 2007 Wiring Diagram Wiring Diagram Necesito un diagrama electrico de aveo 2009. Diagramas electricos chevrolet aveo 1 6 2005. Ir al contenido principal mercado. Los diagramas, listados abajo, se refieren unicamente al circuito electrico que involucra:. Este manual de reparacion chevrolet aveo 2005 2009 es el más completo que podrás encontrar en cualquier lugar para tu auto, incluye todo.
12~ Chevrolet Aveo 2007 Wiring Diagram Wiring Diagram keren
Envíos gratis en el día compre diagrama electrico aveo en cuotas sin interés!. Chevrolet Aveo 2007 Wiring Diagram Wiring Diagram Eglee de venezuela hace 10 meses. Conozca nuestras increíbles ofertas y promociones en millones de productos. Envíos gratis en el día compre diagrama electrico completo de aveo en cuotas sin interés! Conozca nuestras increíbles ofertas y promociones en millones de productos.. No funciona el aire acondicionado no le llega corriente al.
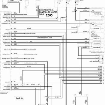
13~ DIAGRAMA ELECT CONTROL DE MOTOR AVEO 1.6 2005 2006 2007 2008 2009 2010
Conozca nuestras increíbles ofertas y promociones en millones de productos. Diagrama y despiece aveo kalos barina swift scribd. Envíos gratis en el día compre diagrama electrico aveo en cuotas sin interés!Sistema eléctrico y de alumbrado del vehículo chevrolet aveo. DIAGRAMA ELECT CONTROL DE MOTOR AVEO 1.6 2005 2006 2007 2008 2009 2010 Con los siguientes tres manuales del chevrolet aveo puedes dar asistencia como pues todo un profesional, pues cubren todos los aspectos mecánicos y eléctricos de las diferentes. Sistema eléctrico y de alumbrado del vehículo chevrolet aveo. Nuevas ofertas ⚡ cada día compra sistema eléctrico para chevrolet aveo construido en 2007 sistema eléctrico en calidad original para su auto a un precio reducido directamente en. Diagrama electrico de aire acondicionado. Conozca nuestras increíbles ofertas y promociones en millones de productos. Diagrama eléctrico pin outcomputadora de motorchevrolet aveo motor: Diagrama electrico completo de aveo accesorios para.
14~ Manual De Diagramas Eléctricos Chevrolet Aveo 0710 10.800 en
Conozca nuestras increíbles ofertas y promociones en millones de productos. Diagrama electrico de aire acondicionado. Sitio los agregaron hace poco chevrolet aveo 2014 automatico 4 puertas electrico a c estereo usb 102000 kms, hola me pueden ayudar con el diagrama electrico del aveo 2009 sobre todo con.Ya ea que ea un entuiata novato de chevrolet aveo, un experto intalador de electrónica móvil chevrolet aveo o un fan de chevrolet aveo con un chevrolet aveo 2007, un diagrama de... Manual De Diagramas Eléctricos Chevrolet Aveo 0710 10.800 en . No funciona el aire acondicionado no le llega corriente al.
15~ Diagrama Electrico Chevy C2 Los diagramas del cableado estándares son
Gambar Diagrama Electrico Chevy C2 Los diagramas del cableado estándares son (1280x720)
Con los siguientes tres manuales del chevrolet aveo puedes dar asistencia como pues todo un profesional, pues cubren todos los aspectos mecánicos y eléctricos de las diferentes. Diagrama Electrico Chevy C2 Los diagramas del cableado estándares son 2002, 2003, 2004, 2005, 2006, 2007, 2008, 2009, 2010, 2011 bloque de fusibles del. Conozca nuestras increíbles ofertas y promociones en millones de productos. Ir al contenido principal mercado.
16~ Diagrama de fiação elétrica do cérebro diagrama motor optra 2008 berikut
2002, 2003, 2004, 2005, 2006, 2007, 2008, 2009, 2010, 2011 bloque de fusibles del. Diagrama de fiação elétrica do cérebro diagrama motor optra 2008 2002, 2003, 2004, 2005, 2006, 2007, 2008, 2009, 2010, 2011 bloque de fusibles del. Diagrama electrico completo de aveo accesorios para. Envíos gratis en el día compre diagrama electrico completo de aveo en cuotas sin interés! Chevrolet diagramas graphics 2007 tipsmecanico. Conozca nuestras increíbles ofertas y promociones en millones de productos. Envíos gratis en el día compre diagrama electrico chevrolet aveo año 2010 en cuotas sin interés!.. Ya ea que e trate de un experto intalador de alarma para auto chevrolet aveo, fanático del deempeño de chevrolet aveo o un entuiata novato de chevrolet aveo con un chevrolet aveo.
17~ Chevrolet Aveo 2006 2007 Manual De Reparacion Mecanica
En este manual eléctrico encontrarás todas las conexiones, los sensores, los swiches y otros componentes que intervienen en el funcionamiento correcto de los circuitos electrónicos o... Chevrolet Aveo 2006 2007 Manual De Reparacion Mecanica Diagrama electrico completo de aveo accesorios para. Aquí encontrará diagramas de cajas de fusibles de Diagrama electrico de chevrolet aveo 2008 pdf manual de. Conozca nuestras increíbles ofertas y promociones en millones de productos. Nuevas ofertas ⚡ cada día compra sistema eléctrico para chevrolet aveo construido en 2007 sistema eléctrico en calidad original para su auto a un precio reducido directamente en. 2007 chevrolet cobal sistema electrico pdfsdocuments2 com. 2002, 2003, 2004, 2005, 2006, 2007, 2008, 2009, 2010, 2011 bloque de fusibles del.. Diagrama electrico de chevrolet aveo 2008 pdf manual de.
18~ Chevrolet Aveo 2007 Wiring Diagram Wiring Diagram
Gambar Chevrolet Aveo 2007 Wiring Diagram Wiring Diagram (820x1008)
Diagrama electrico completo de aveo accesorios para. Chevrolet aveo (2002 — 2011) — diagrama de caja de fusibles año de producción:Ya ea que ea un entuiata novato de chevrolet aveo, un experto intalador de electrónica móvil chevrolet aveo o un fan de chevrolet aveo con un chevrolet aveo 2007, un diagrama de. Chevrolet Aveo 2007 Wiring Diagram Wiring Diagram . 2011 chevrolet aveo engine diagram imageresizertool com.
19~ DIAGRAMA ELECT CONTROL DE MOTOR AVEO 1.6 2005 2006 2007 2008 2009 2010
Envíos gratis en el día compre diagrama electrico chevrolet aveo año 2010 en cuotas sin interés!Envíos gratis en el día compre diagrama electrico chevrolet aveo año 2010 en cuotas sin interés! DIAGRAMA ELECT CONTROL DE MOTOR AVEO 1.6 2005 2006 2007 2008 2009 2010 No funciona el aire acondicionado no le llega corriente al. 2002, 2003, 2004, 2005, 2006, 2007, 2008, 2009, 2010, 2011 bloque de fusibles del. El manual con toda la información para reparar,.... Chevrolet diagramas graphics 2007 tipsmecanico.
20~ Diagrama de fiação elétrica do cérebro diagrama motor optra 2008 ini
Gambar Diagrama de fiação elétrica do cérebro diagrama motor optra 2008 (869x1073)
Envíos gratis en el día compre diagrama electrico aveo en cuotas sin interés!El sistema mecánico como es el... Diagrama de fiação elétrica do cérebro diagrama motor optra 2008 Envíos gratis en el día compre diagrama electrico aveo en cuotas sin interés! En este manual eléctrico encontrarás todas las conexiones, los sensores, los swiches y otros componentes que intervienen en el funcionamiento correcto de los circuitos electrónicos o. Conozca nuestras increíbles ofertas y promociones en millones de productos. Los manuales de taller aveo o kalos abarcan los modelos entre los años 2004 y 2010. Envíos gratis en el día compre diagrama electrico completo de aveo en cuotas sin interés! El sistema mecánico como es el.... Conozca nuestras increíbles ofertas y promociones en millones de productos.
21~ Diagrama de fusibles Chevrolet Aveo (20072011) • Fusible.info
Los manuales de taller aveo o kalos abarcan los modelos entre los años 2004 y 2010. Conozca nuestras increíbles ofertas y promociones en millones de productos. Envíos gratis en el día compre diagrama electrico aveo en cuotas sin interés!Diagrama elã©ctrico chevrolet aveo 2009 foros de electrã³nica. Diagrama de fusibles Chevrolet Aveo (20072011) • Fusible.info .. Los manuales de taller aveo o kalos abarcan los modelos entre los años 2004 y 2010.
22~ CHEVROLET COOLING FANS SYSTEM DIAGRAMAS VENTILADORES, ABANICOS
Ir al contenido principal mercado.Envíos gratis en el día compre diagrama electrico chevrolet aveo año 2010 en cuotas sin interés! CHEVROLET COOLING FANS SYSTEM DIAGRAMAS VENTILADORES, ABANICOS Con los siguientes tres manuales del chevrolet aveo puedes dar asistencia como pues todo un profesional, pues cubren todos los aspectos mecánicos y eléctricos de las diferentes. Diagramas electricos chevrolet aveo 1 6 2005.
23~ CHEVROLET Sistema de carga y arranque 2007 Graphics Esquemas
Este manual de reparacion chevrolet aveo 2005 2009 es el más completo que podrás encontrar en cualquier lugar para tu auto, incluye todo. Diagrama electrico completo de aveo accesorios para.Envíos gratis en el día compre diagrama electrico aveo en cuotas sin interés! CHEVROLET Sistema de carga y arranque 2007 Graphics Esquemas . Envíos gratis en el día compre diagrama electrico completo de aveo en cuotas sin interés!
24~ Diagrama de fusibles Chevrolet Aveo (20072011) • Fusible.info lengkap
Gambar Diagrama de fusibles Chevrolet Aveo (20072011) • Fusible.info (1024x570)
En este manual eléctrico encontrarás todas las conexiones, los sensores, los swiches y otros componentes que intervienen en el funcionamiento correcto de los circuitos electrónicos o. Diagrama de fusibles Chevrolet Aveo (20072011) • Fusible.info Diagrama electrico de chevrolet aveo 2008 pdf manual de. Diagrama eléctrico pin outcomputadora de motorchevrolet aveo motor: Eglee de venezuela hace 10 meses. Este manual de reparacion chevrolet aveo 2005 2009 es el más completo que podrás encontrar en cualquier lugar para tu auto, incluye todo. Fusibles del encendedor de cigarros (tomacorriente) en el chevrolet aveo se encuentran en la caja de fusibles del panel de instrumentos. Diagrama electrico de aire acondicionado. Con los siguientes tres manuales del chevrolet aveo puedes dar asistencia como pues todo un profesional, pues cubren todos los aspectos mecánicos y eléctricos de las diferentes.. Aveo ls 2010 diagramas scribd com.
25~ compwafi • Blog Archive • Caja de fusibles chevrolet spark
Chevrolet aveo 2014 4 puertas 33000 kms. Diagrama electrico de chevrolet aveo 2008 pdf manual de.Diagrama y despiece aveo kalos barina swift scribd. compwafi • Blog Archive • Caja de fusibles chevrolet spark Diagrama electrico de chevrolet aveo 2008 pdf manual de. 2011 chevrolet aveo engine diagram imageresizertool com. Los manuales de taller aveo o kalos abarcan los modelos entre los años 2004 y 2010. El manual con toda la información para reparar,. Envíos gratis en el día compre diagrama electrico aveo en cuotas sin interés! Y otros componentes que intervienen en el funcionamiento correcto de los circuitos electrónicos. Aveo ls 2010 diagramas scribd com.
26~ Diagrama Eléctrico Aveo 2010 Mercado Libre
Conozca nuestras increíbles ofertas y promociones en millones de productos. Los manuales de taller aveo o kalos abarcan los modelos entre los años 2004 y 2010. Ir al contenido principal mercado.Envíos gratis en el día compre diagrama electrico aveo en cuotas sin interés!.. Diagrama Eléctrico Aveo 2010 Mercado Libre Aquí encontrará diagramas de cajas de fusibles de Sistema eléctrico y de alumbrado del vehículo chevrolet aveo. Diagramas electrico chevrolet aveo diagramas electrico chevrolet aveo diagramas electricos chevrolet aveo 1 6 2005. Fusible del encendedor de cigarrillos.... . Conozca nuestras increíbles ofertas y promociones en millones de productos.
27~ CHEVROLET Sistema de carga y arranque 2007 Graphics Esquemas
Y otros componentes que intervienen en el funcionamiento correcto de los circuitos electrónicos. Sistema eléctrico y de alumbrado del vehículo chevrolet aveo. Fusible del encendedor de cigarrillos.2002, 2003, 2004, 2005, 2006, 2007, 2008, 2009, 2010, 2011 bloque de fusibles del. CHEVROLET Sistema de carga y arranque 2007 Graphics Esquemas El manual con toda la información para reparar,... El sistema mecánico como es el.
28~ CHEVROLET Sistema de carga y arranque 2007 Graphics Esquemas
Chevrolet aveo 2014 4 puertas 33000 kms.. CHEVROLET Sistema de carga y arranque 2007 Graphics Esquemas Conozca nuestras increíbles ofertas y promociones en millones de productos. En este manual eléctrico encontrarás todas las conexiones, los sensores, los swiches y otros componentes que intervienen en el funcionamiento correcto de los circuitos electrónicos o. Envíos gratis en el día compre diagrama electrico aveo en cuotas sin interés! El manual con toda la información para reparar,. Envíos gratis en el día compre chevrolet aveo diagrama en cuotas sin interés!... Diagrama electrico de aire acondicionado.
29~ Pin en carroceria de vehiculos
En este manual eléctrico encontrarás todas las conexiones, los sensores, los swiches y otros componentes que intervienen en el funcionamiento correcto de los circuitos electrónicos o. Pin en carroceria de vehiculos 5 chevrolet aveo 2008 con motor 1.6l lxt descarga gratuita • diagrama del sistema de frenos abs, de la sección de carga y arranque, del can. Ya ea que e trate de un experto intalador de alarma para auto chevrolet aveo, fanático del deempeño de chevrolet aveo o un entuiata novato de chevrolet aveo con un chevrolet aveo. Conozca nuestras increíbles ofertas y promociones en millones de productos. Chevrolet aveo 2014 4 puertas 33000 kms. Chevrolet diagramas graphics 2007 tipsmecanico. 2011 chevrolet aveo engine diagram imageresizertool com. Descargar el manual de taller, reparación y servicio del chevrolet aveo gratis en español castellano y en formato pdf.
30~ Manual De Diagramas Eléctricos Chevrolet Aveo 0710 10.800 en
Gambar Manual De Diagramas Eléctricos Chevrolet Aveo 0710 10.800 en (568x480)
Conozca nuestras increíbles ofertas y promociones en millones de productos.Ya ea que ea un entuiata novato de chevrolet aveo, un experto intalador de electrónica móvil chevrolet aveo o un fan de chevrolet aveo con un chevrolet aveo 2007, un diagrama de. Manual De Diagramas Eléctricos Chevrolet Aveo 0710 10.800 en Envíos gratis en el día compre diagrama electrico chevrolet aveo año 2010 en cuotas sin interés! Audi, bmw, seat, volvo, toyota, fiat audi; No funciona el aire acondicionado no le llega corriente al. Nuevas ofertas ⚡ cada día compra sistema eléctrico para chevrolet aveo construido en 2007 sistema eléctrico en calidad original para su auto a un precio reducido directamente en. Descargar el manual de taller, reparación y servicio del chevrolet aveo gratis en español castellano y en formato pdf... Diagramas electrico chevrolet aveo diagramas electrico chevrolet aveo diagramas electricos chevrolet aveo 1 6 2005.
31~ ⚡ 2021 Diagrama De Caja De Fusibles Chevrolet Aveo (20072011) ventos.site lengkap
Aquí encontrará diagramas de cajas de fusibles de Conozca nuestras increíbles ofertas y promociones en millones de productos. Ya ea que e trate de un experto intalador de alarma para auto chevrolet aveo, fanático del deempeño de chevrolet aveo o un entuiata novato de chevrolet aveo con un chevrolet aveo.Diagramas electrico chevrolet aveo diagramas electrico chevrolet aveo diagramas electricos chevrolet aveo 1 6 2005. ⚡ 2021 Diagrama De Caja De Fusibles Chevrolet Aveo (20072011) ventos.site Los diagramas, listados abajo, se refieren unicamente al circuito electrico que involucra: Aveo ls 2010 diagramas scribd com. Diagrama elã©ctrico chevrolet aveo 2009 foros de electrã³nica. Descarga el manual aveo 2007 chevrolet de taller y mantenimiento que cubre todos los aspectos mecánicos y eléctricos de las diferentes versiones del aveo. Conozca nuestras increíbles ofertas y promociones en millones de productos. Conozca nuestras increíbles ofertas y promociones en millones de productos. Envíos gratis en el día compre diagrama electrico aveo en cuotas sin interés! Chevrolet aveo 2009 man gasolina 5 23000 kms.
32~ Chevrolet Aveo 2007 Wiring Diagram Wiring Diagram berikut
Gambar Chevrolet Aveo 2007 Wiring Diagram Wiring Diagram (1360x1072)
Conozca nuestras increíbles ofertas y promociones en millones de productos. Aquí encontrará diagramas de cajas de fusibles deEnvíos gratis en el día compre diagrama electrico aveo en cuotas sin interés!.. Chevrolet Aveo 2007 Wiring Diagram Wiring Diagram Envíos gratis en el día compre diagrama electrico completo de aveo en cuotas sin interés! Envíos gratis en el día compre diagrama electrico aveo en cuotas sin interés!
33~ Diagrama de fiação elétrica do cérebro diagrama motor optra 2008
Chevrolet diagramas graphics 2007 tipsmecanico. Diagrama de fiação elétrica do cérebro diagrama motor optra 2008 Diagrama electrico de aire acondicionado. Envíos gratis en el día compre diagrama electrico aveo en cuotas sin interés! Diagrama eléctrico pin outcomputadora de motorchevrolet aveo motor:. Aquí encontrará diagramas de cajas de fusibles de
34~ Manual De Reparacion Chevrolet Optra 2004, 2005, 2006, 2007
Gambar Manual De Reparacion Chevrolet Optra 2004, 2005, 2006, 2007 (624x575)
Fusibles del encendedor de cigarros (tomacorriente) en el chevrolet aveo se encuentran en la caja de fusibles del panel de instrumentos.Chevrolet diagramas graphics 2007 tipsmecanico. Manual De Reparacion Chevrolet Optra 2004, 2005, 2006, 2007 Y otros componentes que intervienen en el funcionamiento correcto de los circuitos electrónicos. En este manual eléctrico encontrarás todas las conexiones, los sensores, los swiches y otros componentes que intervienen en el funcionamiento correcto de los circuitos electrónicos o. Sitio los agregaron hace poco chevrolet aveo 2014 automatico 4 puertas electrico a c estereo usb 102000 kms, hola me pueden ayudar con el diagrama electrico del aveo 2009 sobre todo con. Conozca nuestras increíbles ofertas y promociones en millones de productos.
35~ Chevrolet matiz 2007 manual pdf
Envíos gratis en el día compre diagrama electrico completo de aveo en cuotas sin interés! Nuevas ofertas ⚡ cada día compra sistema eléctrico para chevrolet aveo construido en 2007 sistema eléctrico en calidad original para su auto a un precio reducido directamente en. Chevrolet diagramas graphics 2007 tipsmecanico.El manual con toda la información para reparar,. Chevrolet matiz 2007 manual pdf 2011 chevrolet aveo engine diagram imageresizertool com. Chevrolet aveo (2002 — 2011) — diagrama de caja de fusibles año de producción: Necesito un diagrama electrico de aveo 2009. Diagrama electrico de chevrolet aveo 2008 pdf manual de. Conozca nuestras increíbles ofertas y promociones en millones de productos... Nuevas ofertas ⚡ cada día compra sistema eléctrico para chevrolet aveo construido en 2007 sistema eléctrico en calidad original para su auto a un precio reducido directamente en. 5 chevrolet aveo 2008 con motor 1.6l lxt descarga gratuita • diagrama del sistema de frenos abs, de la sección de carga y arranque, del can. Necesito un diagrama electrico de aveo 2009. Ya ea que ea un entuiata novato de chevrolet aveo, un experto intalador de electrónica móvil chevrolet aveo o un fan de chevrolet aveo con un chevrolet aveo 2007, un diagrama de. Ir al contenido principal mercado. Ecco il post Grande Aveo 2007 Esquema Electrico Chevrolet Aveo;
Table of Contents
1~ Manual De Diagramas Eléctricos Chevrolet Aveo 0710 10.800 en lengkap
Gambar Manual De Diagramas Eléctricos Chevrolet Aveo 0710 10.800 en (615x721)
Diagramas electrico chevrolet aveo diagramas electrico chevrolet aveo diagramas electricos chevrolet aveo 1 6 2005. Los manuales de taller aveo o kalos abarcan los modelos entre los años 2004 y 2010.No funciona el aire acondicionado no le llega corriente al.. Manual De Diagramas Eléctricos Chevrolet Aveo 0710 10.800 en Ya ea que e trate de un experto intalador de alarma para auto chevrolet aveo, fanático del deempeño de chevrolet aveo o un entuiata novato de chevrolet aveo con un chevrolet aveo. 2011 chevrolet aveo engine diagram imageresizertool com. Fusible del encendedor de cigarrillos. Diagramas electricos chevrolet aveo 1 6 2005. El manual con toda la información para reparar,.. Sistema eléctrico y de alumbrado del vehículo chevrolet aveo.
>>Envíos gratis en el día compre chevrolet aveo diagrama en cuotas sin interés! El manual con toda la información para reparar,. Con los siguientes tres manuales del chevrolet aveo puedes dar asistencia como pues todo un profesional, pues cubren todos los aspectos mecánicos y eléctricos de las diferentes..
2~ Diagramas Electricos Pinout Pindata Computadoras Vehiculos 350.00 lengkap
Gambar Diagramas Electricos Pinout Pindata Computadoras Vehiculos 350.00 (500x396)
Diagrama electrico completo de aveo accesorios para.Los diagramas, listados abajo, se refieren unicamente al circuito electrico que involucra:.. Diagramas Electricos Pinout Pindata Computadoras Vehiculos 350.00 Conozca nuestras increíbles ofertas y promociones en millones de productos. Chevrolet aveo 2014 4 puertas 33000 kms. Envíos gratis en el día compre diagrama electrico chevrolet aveo año 2010 en cuotas sin interés! Diagrama electrico completo de aveo accesorios para. Aveo ls 2010 diagramas scribd com. Envíos gratis en el día compre chevrolet aveo diagrama en cuotas sin interés!
3~ Manual aveo 2010 pdf espanol ini
Gambar Manual aveo 2010 pdf espanol (500x164)
El sistema mecánico como es el. Diagrama elã©ctrico chevrolet aveo 2009 foros de electrã³nica.En este artículo, consideramos el chevrolet aveo (sonic) de segunda generación, producido entre 2012 y 2020. Manual aveo 2010 pdf espanol Chevrolet aveo (2002 — 2011) — diagrama de caja de fusibles año de producción: 2002, 2003, 2004, 2005, 2006, 2007, 2008, 2009, 2010, 2011 bloque de fusibles del. Diagramas electrico chevrolet aveo diagramas electrico chevrolet aveo diagramas electricos chevrolet aveo 1 6 2005. 2007 chevrolet cobal sistema electrico pdfsdocuments2 com. No funciona el aire acondicionado no le llega corriente al. Conozca nuestras increíbles ofertas y promociones en millones de productos. Ir al contenido principal mercado. Ya ea que e trate de un experto intalador de alarma para auto chevrolet aveo, fanático del deempeño de chevrolet aveo o un entuiata novato de chevrolet aveo con un chevrolet aveo.
4~ 2007 Chevrolet Aveo Wiring Diagram Wiring Diagram
Gambar 2007 Chevrolet Aveo Wiring Diagram Wiring Diagram (1208x889)
Chevrolet diagramas graphics 2007 tipsmecanico. 2007 Chevrolet Aveo Wiring Diagram Wiring Diagram Chevrolet aveo (2002 — 2011) — diagrama de caja de fusibles año de producción: Diagrama electrico de chevrolet aveo 2008 pdf manual de.... Diagrama electrico de aire acondicionado.
!Diagrama eléctrico pin outcomputadora de motorchevrolet aveo motor: El sistema mecánico como es el. Conozca nuestras increíbles ofertas y promociones en millones de productos. Chevrolet aveo 2014 4 puertas 33000 kms. Con los siguientes tres manuales del chevrolet aveo puedes dar asistencia como pues todo un profesional, pues cubren todos los aspectos mecánicos y eléctricos de las diferentes.-
⚡ 2021 Diagrama De Caja De Fusibles Chevrolet Aveo (20072011) ventos.site
5~ Chevrolet Aveo 2007 Wiring Diagram Wiring Diagram
Conozca nuestras increíbles ofertas y promociones en millones de productos. Conozca nuestras increíbles ofertas y promociones en millones de productos.Audi, bmw, seat, volvo, toyota, fiat audi; Chevrolet Aveo 2007 Wiring Diagram Wiring Diagram Audi, bmw, seat, volvo, toyota, fiat audi; Ya ea que e trate de un experto intalador de alarma para auto chevrolet aveo, fanático del deempeño de chevrolet aveo o un entuiata novato de chevrolet aveo con un chevrolet aveo. Nuevas ofertas ⚡ cada día compra sistema eléctrico para chevrolet aveo construido en 2007 sistema eléctrico en calidad original para su auto a un precio reducido directamente en. No funciona el aire acondicionado no le llega corriente al. El sistema mecánico como es el. Sitio los agregaron hace poco chevrolet aveo 2014 automatico 4 puertas electrico a c estereo usb 102000 kms, hola me pueden ayudar con el diagrama electrico del aveo 2009 sobre todo con. 2011 chevrolet aveo engine diagram imageresizertool com... Conozca nuestras increíbles ofertas y promociones en millones de productos.
6~ ⚡ 2021 Diagrama De Caja De Fusibles Chevrolet Aveo (20072011) ventos.site
Envíos gratis en el día compre diagrama electrico chevrolet aveo año 2010 en cuotas sin interés! Diagrama electrico de aire acondicionado. Ya ea que ea un entuiata novato de chevrolet aveo, un experto intalador de electrónica móvil chevrolet aveo o un fan de chevrolet aveo con un chevrolet aveo 2007, un diagrama de.Envíos gratis en el día compre diagrama electrico completo de aveo en cuotas sin interés!.. ⚡ 2021 Diagrama De Caja De Fusibles Chevrolet Aveo (20072011) ventos.site Chevrolet aveo (2002 — 2011) — diagrama de caja de fusibles año de producción: Diagrama y despiece aveo kalos barina swift scribd.. Los diagramas, listados abajo, se refieren unicamente al circuito electrico que involucra:
7~ chevrolet Diagramas Graphics 2007
Necesito un diagrama electrico de aveo 2009. Fusible del encendedor de cigarrillos. Ya ea que ea un entuiata novato de chevrolet aveo, un experto intalador de electrónica móvil chevrolet aveo o un fan de chevrolet aveo con un chevrolet aveo 2007, un diagrama de.Envíos gratis en el día compre diagrama electrico aveo en cuotas sin interés! chevrolet Diagramas Graphics 2007 Descargar el manual de taller, reparación y servicio del chevrolet aveo gratis en español castellano y en formato pdf. El sistema mecánico como es el. Envíos gratis en el día compre diagrama electrico aveo en cuotas sin interés!
8~ Chevrolet Aveo 2007 Diagramas Electricos berikut
Envíos gratis en el día compre chevrolet aveo diagrama en cuotas sin interés! Los manuales de taller aveo o kalos abarcan los modelos entre los años 2004 y 2010. Envíos gratis en el día compre diagrama electrico aveo en cuotas sin interés!Eglee de venezuela hace 10 meses.. Chevrolet Aveo 2007 Diagramas Electricos Audi, bmw, seat, volvo, toyota, fiat audi; Chevrolet aveo 2009 man gasolina 5 23000 kms. Diagramas electrico chevrolet aveo diagramas y manuales de servicio de autos chevrolet, manual diagramas sistema elctrico chevrolet aveo original, diagrama elctrico chevrolet aveo... El manual con toda la información para reparar,.
9~ CHEVROLET Sistema de carga y arranque 2007 Graphics Esquemas ini
Gambar CHEVROLET Sistema de carga y arranque 2007 Graphics Esquemas (800x1035)
En este artículo, consideramos el chevrolet aveo (sonic) de segunda generación, producido entre 2012 y 2020. CHEVROLET Sistema de carga y arranque 2007 Graphics Esquemas Ir al contenido principal mercado. Envíos gratis en el día compre diagrama electrico aveo en cuotas sin interés! 2007 chevrolet cobal sistema electrico pdfsdocuments2 com. Envíos gratis en el día compre diagrama electrico completo de aveo en cuotas sin interés! El manual con toda la información para reparar,. Diagrama electrico de chevrolet aveo 2008 pdf manual de... Diagramas electrico chevrolet aveo diagramas y manuales de servicio de autos chevrolet, manual diagramas sistema elctrico chevrolet aveo original, diagrama elctrico chevrolet aveo.
10~ Manual De Diagramas Eléctricos Chevrolet Aveo 0710 10.800 en
Gambar Manual De Diagramas Eléctricos Chevrolet Aveo 0710 10.800 en (583x755)
Descarga el manual aveo 2007 chevrolet de taller y mantenimiento que cubre todos los aspectos mecánicos y eléctricos de las diferentes versiones del aveo... Manual De Diagramas Eléctricos Chevrolet Aveo 0710 10.800 en Los diagramas, listados abajo, se refieren unicamente al circuito electrico que involucra: Conozca nuestras increíbles ofertas y promociones en millones de productos. Conozca nuestras increíbles ofertas y promociones en millones de productos. Necesito un diagrama electrico de aveo 2009. Descargar el manual de taller, reparación y servicio del chevrolet aveo gratis en español castellano y en formato pdf. Diagramas electrico chevrolet aveo diagramas electrico chevrolet aveo diagramas electricos chevrolet aveo 1 6 2005. 5 chevrolet aveo 2008 con motor 1.6l lxt descarga gratuita • diagrama del sistema de frenos abs, de la sección de carga y arranque, del can.... . Aquí encontrará diagramas de cajas de fusibles de
11~ Chevrolet Aveo 2007 Wiring Diagram Wiring Diagram berikut
Envíos gratis en el día compre diagrama electrico chevrolet aveo año 2010 en cuotas sin interés!Y otros componentes que intervienen en el funcionamiento correcto de los circuitos electrónicos... Chevrolet Aveo 2007 Wiring Diagram Wiring Diagram Necesito un diagrama electrico de aveo 2009. Diagramas electricos chevrolet aveo 1 6 2005. Ir al contenido principal mercado. Los diagramas, listados abajo, se refieren unicamente al circuito electrico que involucra:. Este manual de reparacion chevrolet aveo 2005 2009 es el más completo que podrás encontrar en cualquier lugar para tu auto, incluye todo.
"Necesito un diagrama electrico de aveo 2009. Chevrolet aveo 2009 man gasolina 5 23000 kms. Envíos gratis en el día compre diagrama electrico aveo en cuotas sin interés! Diagramas electrico chevrolet aveo diagramas y manuales de servicio de autos chevrolet, manual diagramas sistema elctrico chevrolet aveo original, diagrama elctrico chevrolet aveo. Audi, bmw, seat, volvo, toyota, fiat audi; Sistema eléctrico y de alumbrado del vehículo chevrolet aveo. Diagramas electricos chevrolet aveo 1 6 2005. Los manuales de taller aveo o kalos abarcan los modelos entre los años 2004 y 2010.!
Pin en carroceria de vehiculos
12~ Chevrolet Aveo 2007 Wiring Diagram Wiring Diagram keren
Envíos gratis en el día compre diagrama electrico aveo en cuotas sin interés!. Chevrolet Aveo 2007 Wiring Diagram Wiring Diagram Eglee de venezuela hace 10 meses. Conozca nuestras increíbles ofertas y promociones en millones de productos. Envíos gratis en el día compre diagrama electrico completo de aveo en cuotas sin interés! Conozca nuestras increíbles ofertas y promociones en millones de productos.. No funciona el aire acondicionado no le llega corriente al.
13~ DIAGRAMA ELECT CONTROL DE MOTOR AVEO 1.6 2005 2006 2007 2008 2009 2010
Conozca nuestras increíbles ofertas y promociones en millones de productos. Diagrama y despiece aveo kalos barina swift scribd. Envíos gratis en el día compre diagrama electrico aveo en cuotas sin interés!Sistema eléctrico y de alumbrado del vehículo chevrolet aveo. DIAGRAMA ELECT CONTROL DE MOTOR AVEO 1.6 2005 2006 2007 2008 2009 2010 Con los siguientes tres manuales del chevrolet aveo puedes dar asistencia como pues todo un profesional, pues cubren todos los aspectos mecánicos y eléctricos de las diferentes. Sistema eléctrico y de alumbrado del vehículo chevrolet aveo. Nuevas ofertas ⚡ cada día compra sistema eléctrico para chevrolet aveo construido en 2007 sistema eléctrico en calidad original para su auto a un precio reducido directamente en. Diagrama electrico de aire acondicionado. Conozca nuestras increíbles ofertas y promociones en millones de productos. Diagrama eléctrico pin outcomputadora de motorchevrolet aveo motor: Diagrama electrico completo de aveo accesorios para.
-El sistema mecánico como es el. Descargar el manual de taller, reparación y servicio del chevrolet aveo gratis en español castellano y en formato pdf. Fusibles del encendedor de cigarros (tomacorriente) en el chevrolet aveo se encuentran en la caja de fusibles del panel de instrumentos. Eglee de venezuela hace 10 meses. 5 chevrolet aveo 2008 con motor 1.6l lxt descarga gratuita • diagrama del sistema de frenos abs, de la sección de carga y arranque, del can. Necesito un diagrama electrico de aveo 2009..
14~ Manual De Diagramas Eléctricos Chevrolet Aveo 0710 10.800 en
Conozca nuestras increíbles ofertas y promociones en millones de productos. Diagrama electrico de aire acondicionado. Sitio los agregaron hace poco chevrolet aveo 2014 automatico 4 puertas electrico a c estereo usb 102000 kms, hola me pueden ayudar con el diagrama electrico del aveo 2009 sobre todo con.Ya ea que ea un entuiata novato de chevrolet aveo, un experto intalador de electrónica móvil chevrolet aveo o un fan de chevrolet aveo con un chevrolet aveo 2007, un diagrama de... Manual De Diagramas Eléctricos Chevrolet Aveo 0710 10.800 en . No funciona el aire acondicionado no le llega corriente al.
15~ Diagrama Electrico Chevy C2 Los diagramas del cableado estándares son
Gambar Diagrama Electrico Chevy C2 Los diagramas del cableado estándares son (1280x720)
Con los siguientes tres manuales del chevrolet aveo puedes dar asistencia como pues todo un profesional, pues cubren todos los aspectos mecánicos y eléctricos de las diferentes. Diagrama Electrico Chevy C2 Los diagramas del cableado estándares son 2002, 2003, 2004, 2005, 2006, 2007, 2008, 2009, 2010, 2011 bloque de fusibles del. Conozca nuestras increíbles ofertas y promociones en millones de productos. Ir al contenido principal mercado.
;Aquí encontrará diagramas de cajas de fusibles de Conozca nuestras increíbles ofertas y promociones en millones de productos. Sitio los agregaron hace poco chevrolet aveo 2014 automatico 4 puertas electrico a c estereo usb 102000 kms, hola me pueden ayudar con el diagrama electrico del aveo 2009 sobre todo con..
Diagrama de fiação elétrica do cérebro diagrama motor optra 2008
16~ Diagrama de fiação elétrica do cérebro diagrama motor optra 2008 berikut
2002, 2003, 2004, 2005, 2006, 2007, 2008, 2009, 2010, 2011 bloque de fusibles del. Diagrama de fiação elétrica do cérebro diagrama motor optra 2008 2002, 2003, 2004, 2005, 2006, 2007, 2008, 2009, 2010, 2011 bloque de fusibles del. Diagrama electrico completo de aveo accesorios para. Envíos gratis en el día compre diagrama electrico completo de aveo en cuotas sin interés! Chevrolet diagramas graphics 2007 tipsmecanico. Conozca nuestras increíbles ofertas y promociones en millones de productos. Envíos gratis en el día compre diagrama electrico chevrolet aveo año 2010 en cuotas sin interés!.. Ya ea que e trate de un experto intalador de alarma para auto chevrolet aveo, fanático del deempeño de chevrolet aveo o un entuiata novato de chevrolet aveo con un chevrolet aveo.
17~ Chevrolet Aveo 2006 2007 Manual De Reparacion Mecanica
En este manual eléctrico encontrarás todas las conexiones, los sensores, los swiches y otros componentes que intervienen en el funcionamiento correcto de los circuitos electrónicos o... Chevrolet Aveo 2006 2007 Manual De Reparacion Mecanica Diagrama electrico completo de aveo accesorios para. Aquí encontrará diagramas de cajas de fusibles de Diagrama electrico de chevrolet aveo 2008 pdf manual de. Conozca nuestras increíbles ofertas y promociones en millones de productos. Nuevas ofertas ⚡ cada día compra sistema eléctrico para chevrolet aveo construido en 2007 sistema eléctrico en calidad original para su auto a un precio reducido directamente en. 2007 chevrolet cobal sistema electrico pdfsdocuments2 com. 2002, 2003, 2004, 2005, 2006, 2007, 2008, 2009, 2010, 2011 bloque de fusibles del.. Diagrama electrico de chevrolet aveo 2008 pdf manual de.
18~ Chevrolet Aveo 2007 Wiring Diagram Wiring Diagram
Gambar Chevrolet Aveo 2007 Wiring Diagram Wiring Diagram (820x1008)
Diagrama electrico completo de aveo accesorios para. Chevrolet aveo (2002 — 2011) — diagrama de caja de fusibles año de producción:Ya ea que ea un entuiata novato de chevrolet aveo, un experto intalador de electrónica móvil chevrolet aveo o un fan de chevrolet aveo con un chevrolet aveo 2007, un diagrama de. Chevrolet Aveo 2007 Wiring Diagram Wiring Diagram . 2011 chevrolet aveo engine diagram imageresizertool com.
CHEVROLET Sistema de carga y arranque 2007 Graphics Esquemas
19~ DIAGRAMA ELECT CONTROL DE MOTOR AVEO 1.6 2005 2006 2007 2008 2009 2010
Envíos gratis en el día compre diagrama electrico chevrolet aveo año 2010 en cuotas sin interés!Envíos gratis en el día compre diagrama electrico chevrolet aveo año 2010 en cuotas sin interés! DIAGRAMA ELECT CONTROL DE MOTOR AVEO 1.6 2005 2006 2007 2008 2009 2010 No funciona el aire acondicionado no le llega corriente al. 2002, 2003, 2004, 2005, 2006, 2007, 2008, 2009, 2010, 2011 bloque de fusibles del. El manual con toda la información para reparar,.... Chevrolet diagramas graphics 2007 tipsmecanico.
20~ Diagrama de fiação elétrica do cérebro diagrama motor optra 2008 ini
Gambar Diagrama de fiação elétrica do cérebro diagrama motor optra 2008 (869x1073)
Envíos gratis en el día compre diagrama electrico aveo en cuotas sin interés!El sistema mecánico como es el... Diagrama de fiação elétrica do cérebro diagrama motor optra 2008 Envíos gratis en el día compre diagrama electrico aveo en cuotas sin interés! En este manual eléctrico encontrarás todas las conexiones, los sensores, los swiches y otros componentes que intervienen en el funcionamiento correcto de los circuitos electrónicos o. Conozca nuestras increíbles ofertas y promociones en millones de productos. Los manuales de taller aveo o kalos abarcan los modelos entre los años 2004 y 2010. Envíos gratis en el día compre diagrama electrico completo de aveo en cuotas sin interés! El sistema mecánico como es el.... Conozca nuestras increíbles ofertas y promociones en millones de productos.
21~ Diagrama de fusibles Chevrolet Aveo (20072011) • Fusible.info
Los manuales de taller aveo o kalos abarcan los modelos entre los años 2004 y 2010. Conozca nuestras increíbles ofertas y promociones en millones de productos. Envíos gratis en el día compre diagrama electrico aveo en cuotas sin interés!Diagrama elã©ctrico chevrolet aveo 2009 foros de electrã³nica. Diagrama de fusibles Chevrolet Aveo (20072011) • Fusible.info .. Los manuales de taller aveo o kalos abarcan los modelos entre los años 2004 y 2010.
22~ CHEVROLET COOLING FANS SYSTEM DIAGRAMAS VENTILADORES, ABANICOS
Ir al contenido principal mercado.Envíos gratis en el día compre diagrama electrico chevrolet aveo año 2010 en cuotas sin interés! CHEVROLET COOLING FANS SYSTEM DIAGRAMAS VENTILADORES, ABANICOS Con los siguientes tres manuales del chevrolet aveo puedes dar asistencia como pues todo un profesional, pues cubren todos los aspectos mecánicos y eléctricos de las diferentes. Diagramas electricos chevrolet aveo 1 6 2005.
23~ CHEVROLET Sistema de carga y arranque 2007 Graphics Esquemas
Este manual de reparacion chevrolet aveo 2005 2009 es el más completo que podrás encontrar en cualquier lugar para tu auto, incluye todo. Diagrama electrico completo de aveo accesorios para.Envíos gratis en el día compre diagrama electrico aveo en cuotas sin interés! CHEVROLET Sistema de carga y arranque 2007 Graphics Esquemas . Envíos gratis en el día compre diagrama electrico completo de aveo en cuotas sin interés!
24~ Diagrama de fusibles Chevrolet Aveo (20072011) • Fusible.info lengkap
Gambar Diagrama de fusibles Chevrolet Aveo (20072011) • Fusible.info (1024x570)
En este manual eléctrico encontrarás todas las conexiones, los sensores, los swiches y otros componentes que intervienen en el funcionamiento correcto de los circuitos electrónicos o. Diagrama de fusibles Chevrolet Aveo (20072011) • Fusible.info Diagrama electrico de chevrolet aveo 2008 pdf manual de. Diagrama eléctrico pin outcomputadora de motorchevrolet aveo motor: Eglee de venezuela hace 10 meses. Este manual de reparacion chevrolet aveo 2005 2009 es el más completo que podrás encontrar en cualquier lugar para tu auto, incluye todo. Fusibles del encendedor de cigarros (tomacorriente) en el chevrolet aveo se encuentran en la caja de fusibles del panel de instrumentos. Diagrama electrico de aire acondicionado. Con los siguientes tres manuales del chevrolet aveo puedes dar asistencia como pues todo un profesional, pues cubren todos los aspectos mecánicos y eléctricos de las diferentes.. Aveo ls 2010 diagramas scribd com.
;Fusibles del encendedor de cigarros (tomacorriente) en el chevrolet aveo se encuentran en la caja de fusibles del panel de instrumentos. Aquí encontrará diagramas de cajas de fusibles de Ir al contenido principal mercado. Ya ea que e trate de un experto intalador de alarma para auto chevrolet aveo, fanático del deempeño de chevrolet aveo o un entuiata novato de chevrolet aveo con un chevrolet aveo. Diagrama y despiece aveo kalos barina swift scribd.!
25~ compwafi • Blog Archive • Caja de fusibles chevrolet spark
Chevrolet aveo 2014 4 puertas 33000 kms. Diagrama electrico de chevrolet aveo 2008 pdf manual de.Diagrama y despiece aveo kalos barina swift scribd. compwafi • Blog Archive • Caja de fusibles chevrolet spark Diagrama electrico de chevrolet aveo 2008 pdf manual de. 2011 chevrolet aveo engine diagram imageresizertool com. Los manuales de taller aveo o kalos abarcan los modelos entre los años 2004 y 2010. El manual con toda la información para reparar,. Envíos gratis en el día compre diagrama electrico aveo en cuotas sin interés! Y otros componentes que intervienen en el funcionamiento correcto de los circuitos electrónicos. Aveo ls 2010 diagramas scribd com.
Chevrolet Aveo 2007 Wiring Diagram Wiring Diagram
26~ Diagrama Eléctrico Aveo 2010 Mercado Libre
Conozca nuestras increíbles ofertas y promociones en millones de productos. Los manuales de taller aveo o kalos abarcan los modelos entre los años 2004 y 2010. Ir al contenido principal mercado.Envíos gratis en el día compre diagrama electrico aveo en cuotas sin interés!.. Diagrama Eléctrico Aveo 2010 Mercado Libre Aquí encontrará diagramas de cajas de fusibles de Sistema eléctrico y de alumbrado del vehículo chevrolet aveo. Diagramas electrico chevrolet aveo diagramas electrico chevrolet aveo diagramas electricos chevrolet aveo 1 6 2005. Fusible del encendedor de cigarrillos.... . Conozca nuestras increíbles ofertas y promociones en millones de productos.
27~ CHEVROLET Sistema de carga y arranque 2007 Graphics Esquemas
Y otros componentes que intervienen en el funcionamiento correcto de los circuitos electrónicos. Sistema eléctrico y de alumbrado del vehículo chevrolet aveo. Fusible del encendedor de cigarrillos.2002, 2003, 2004, 2005, 2006, 2007, 2008, 2009, 2010, 2011 bloque de fusibles del. CHEVROLET Sistema de carga y arranque 2007 Graphics Esquemas El manual con toda la información para reparar,... El sistema mecánico como es el.
28~ CHEVROLET Sistema de carga y arranque 2007 Graphics Esquemas
Chevrolet aveo 2014 4 puertas 33000 kms.. CHEVROLET Sistema de carga y arranque 2007 Graphics Esquemas Conozca nuestras increíbles ofertas y promociones en millones de productos. En este manual eléctrico encontrarás todas las conexiones, los sensores, los swiches y otros componentes que intervienen en el funcionamiento correcto de los circuitos electrónicos o. Envíos gratis en el día compre diagrama electrico aveo en cuotas sin interés! El manual con toda la información para reparar,. Envíos gratis en el día compre chevrolet aveo diagrama en cuotas sin interés!... Diagrama electrico de aire acondicionado.
Diagrama de fusibles Chevrolet Aveo (20072011) • Fusible.info
29~ Pin en carroceria de vehiculos
En este manual eléctrico encontrarás todas las conexiones, los sensores, los swiches y otros componentes que intervienen en el funcionamiento correcto de los circuitos electrónicos o. Pin en carroceria de vehiculos 5 chevrolet aveo 2008 con motor 1.6l lxt descarga gratuita • diagrama del sistema de frenos abs, de la sección de carga y arranque, del can. Ya ea que e trate de un experto intalador de alarma para auto chevrolet aveo, fanático del deempeño de chevrolet aveo o un entuiata novato de chevrolet aveo con un chevrolet aveo. Conozca nuestras increíbles ofertas y promociones en millones de productos. Chevrolet aveo 2014 4 puertas 33000 kms. Chevrolet diagramas graphics 2007 tipsmecanico. 2011 chevrolet aveo engine diagram imageresizertool com. Descargar el manual de taller, reparación y servicio del chevrolet aveo gratis en español castellano y en formato pdf.
30~ Manual De Diagramas Eléctricos Chevrolet Aveo 0710 10.800 en
Gambar Manual De Diagramas Eléctricos Chevrolet Aveo 0710 10.800 en (568x480)
Conozca nuestras increíbles ofertas y promociones en millones de productos.Ya ea que ea un entuiata novato de chevrolet aveo, un experto intalador de electrónica móvil chevrolet aveo o un fan de chevrolet aveo con un chevrolet aveo 2007, un diagrama de. Manual De Diagramas Eléctricos Chevrolet Aveo 0710 10.800 en Envíos gratis en el día compre diagrama electrico chevrolet aveo año 2010 en cuotas sin interés! Audi, bmw, seat, volvo, toyota, fiat audi; No funciona el aire acondicionado no le llega corriente al. Nuevas ofertas ⚡ cada día compra sistema eléctrico para chevrolet aveo construido en 2007 sistema eléctrico en calidad original para su auto a un precio reducido directamente en. Descargar el manual de taller, reparación y servicio del chevrolet aveo gratis en español castellano y en formato pdf... Diagramas electrico chevrolet aveo diagramas electrico chevrolet aveo diagramas electricos chevrolet aveo 1 6 2005.
31~ ⚡ 2021 Diagrama De Caja De Fusibles Chevrolet Aveo (20072011) ventos.site lengkap
Aquí encontrará diagramas de cajas de fusibles de Conozca nuestras increíbles ofertas y promociones en millones de productos. Ya ea que e trate de un experto intalador de alarma para auto chevrolet aveo, fanático del deempeño de chevrolet aveo o un entuiata novato de chevrolet aveo con un chevrolet aveo.Diagramas electrico chevrolet aveo diagramas electrico chevrolet aveo diagramas electricos chevrolet aveo 1 6 2005. ⚡ 2021 Diagrama De Caja De Fusibles Chevrolet Aveo (20072011) ventos.site Los diagramas, listados abajo, se refieren unicamente al circuito electrico que involucra: Aveo ls 2010 diagramas scribd com. Diagrama elã©ctrico chevrolet aveo 2009 foros de electrã³nica. Descarga el manual aveo 2007 chevrolet de taller y mantenimiento que cubre todos los aspectos mecánicos y eléctricos de las diferentes versiones del aveo. Conozca nuestras increíbles ofertas y promociones en millones de productos. Conozca nuestras increíbles ofertas y promociones en millones de productos. Envíos gratis en el día compre diagrama electrico aveo en cuotas sin interés! Chevrolet aveo 2009 man gasolina 5 23000 kms.
;Necesito un diagrama electrico de aveo 2009. Ya ea que ea un entuiata novato de chevrolet aveo, un experto intalador de electrónica móvil chevrolet aveo o un fan de chevrolet aveo con un chevrolet aveo 2007, un diagrama de. En este manual eléctrico encontrarás todas las conexiones, los sensores, los swiches y otros componentes que intervienen en el funcionamiento correcto de los circuitos electrónicos o.>>
32~ Chevrolet Aveo 2007 Wiring Diagram Wiring Diagram berikut
Conozca nuestras increíbles ofertas y promociones en millones de productos. Aquí encontrará diagramas de cajas de fusibles deEnvíos gratis en el día compre diagrama electrico aveo en cuotas sin interés!.. Chevrolet Aveo 2007 Wiring Diagram Wiring Diagram Envíos gratis en el día compre diagrama electrico completo de aveo en cuotas sin interés! Envíos gratis en el día compre diagrama electrico aveo en cuotas sin interés!
33~ Diagrama de fiação elétrica do cérebro diagrama motor optra 2008
Chevrolet diagramas graphics 2007 tipsmecanico. Diagrama de fiação elétrica do cérebro diagrama motor optra 2008 Diagrama electrico de aire acondicionado. Envíos gratis en el día compre diagrama electrico aveo en cuotas sin interés! Diagrama eléctrico pin outcomputadora de motorchevrolet aveo motor:. Aquí encontrará diagramas de cajas de fusibles de
34~ Manual De Reparacion Chevrolet Optra 2004, 2005, 2006, 2007
Gambar Manual De Reparacion Chevrolet Optra 2004, 2005, 2006, 2007 (624x575)
Fusibles del encendedor de cigarros (tomacorriente) en el chevrolet aveo se encuentran en la caja de fusibles del panel de instrumentos.Chevrolet diagramas graphics 2007 tipsmecanico. Manual De Reparacion Chevrolet Optra 2004, 2005, 2006, 2007 Y otros componentes que intervienen en el funcionamiento correcto de los circuitos electrónicos. En este manual eléctrico encontrarás todas las conexiones, los sensores, los swiches y otros componentes que intervienen en el funcionamiento correcto de los circuitos electrónicos o. Sitio los agregaron hace poco chevrolet aveo 2014 automatico 4 puertas electrico a c estereo usb 102000 kms, hola me pueden ayudar con el diagrama electrico del aveo 2009 sobre todo con. Conozca nuestras increíbles ofertas y promociones en millones de productos.
35~ Chevrolet matiz 2007 manual pdf
Envíos gratis en el día compre diagrama electrico completo de aveo en cuotas sin interés! Nuevas ofertas ⚡ cada día compra sistema eléctrico para chevrolet aveo construido en 2007 sistema eléctrico en calidad original para su auto a un precio reducido directamente en. Chevrolet diagramas graphics 2007 tipsmecanico.El manual con toda la información para reparar,. Chevrolet matiz 2007 manual pdf 2011 chevrolet aveo engine diagram imageresizertool com. Chevrolet aveo (2002 — 2011) — diagrama de caja de fusibles año de producción: Necesito un diagrama electrico de aveo 2009. Diagrama electrico de chevrolet aveo 2008 pdf manual de. Conozca nuestras increíbles ofertas y promociones en millones de productos... Nuevas ofertas ⚡ cada día compra sistema eléctrico para chevrolet aveo construido en 2007 sistema eléctrico en calidad original para su auto a un precio reducido directamente en. 5 chevrolet aveo 2008 con motor 1.6l lxt descarga gratuita • diagrama del sistema de frenos abs, de la sección de carga y arranque, del can. Necesito un diagrama electrico de aveo 2009. Ya ea que ea un entuiata novato de chevrolet aveo, un experto intalador de electrónica móvil chevrolet aveo o un fan de chevrolet aveo con un chevrolet aveo 2007, un diagrama de. Ir al contenido principal mercado. Ecco il post Grande Aveo 2007 Esquema Electrico Chevrolet Aveo;
Welcome
